← Back to team overview

kicad-developers team mailing list archive

Update footprint and get some weird DRC fails

 

I'm on yesterday's unified package of 5.0.0 rc3 on a mac.

Following my question about why the footprint editor wouldn't let me
create an arbitrary shape for a solder-paste-mask pad, which was not
actually answered but the workaround was actually what I wanted (and I
figured out what I was doing wrong, the pad shape has to be set to
Custom), I went and edited my footprint in place to add the
paste-mask-only pads (no copper layer). They're called aperture pads,
I believe, and the footprint looks as shown in QFN-paste.png.

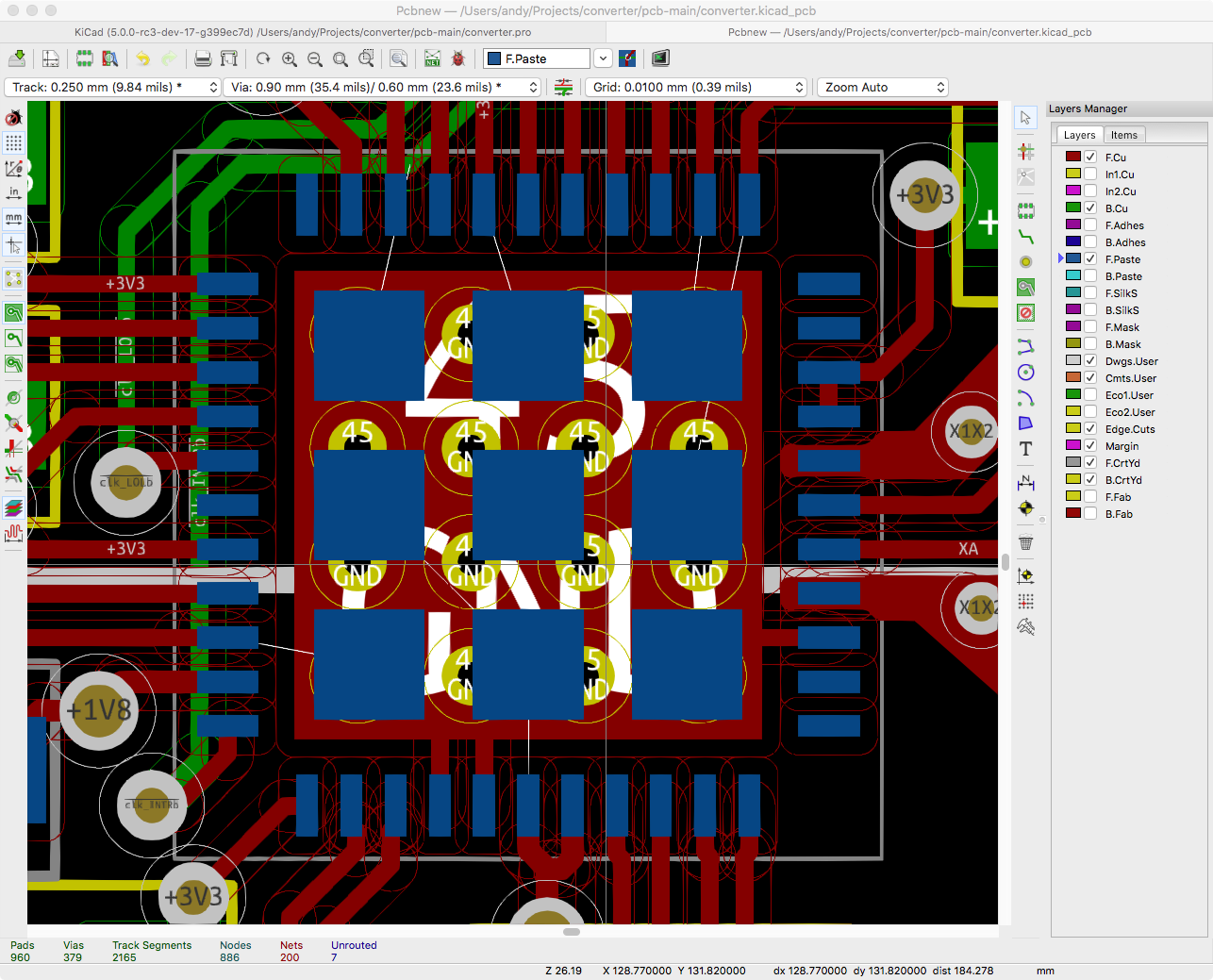
Then I save it back to the layout, and I get a few connection errors,
on a board which was fully routed. The connection errors refer to
traces which now want to connect to those new aperture pads. I don't
know why this should happen, and I don't know how to fix it! It seems
like the connectivity is borked. I know about the change in the
clearances
(from http://kicad-pcb.org/blog/2018/05/Mask-Clearance-Generation-Changes/)
but that doesn't seem to apply here, as it's a connectivity issue.
This is shown in QFN-DRC-fail.png.

I'm willing to believe that I did something wrong, but what!

Thanks ... 


Attachment: QFN-paste.png
Description: PNG image

Attachment: QFN-DRC-fail.png
Description: PNG image


Follow ups