← Back to team overview

kicad-developers team mailing list archive

High contrast tweaks: module edges to gray

 

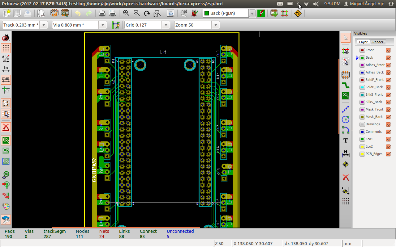
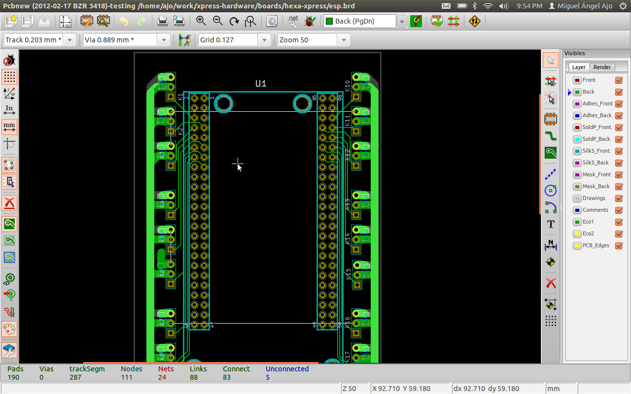
I'm trying to fix some strange "nasty" behaviour I've found while in high
contrast mode (may
be it's nasty only for me and it was intended, please tell me in such case)

The module edges didn't go gray, but stayed in it's silkscreen color while
in  "DisplayOpt.ContrastModeDisplay",
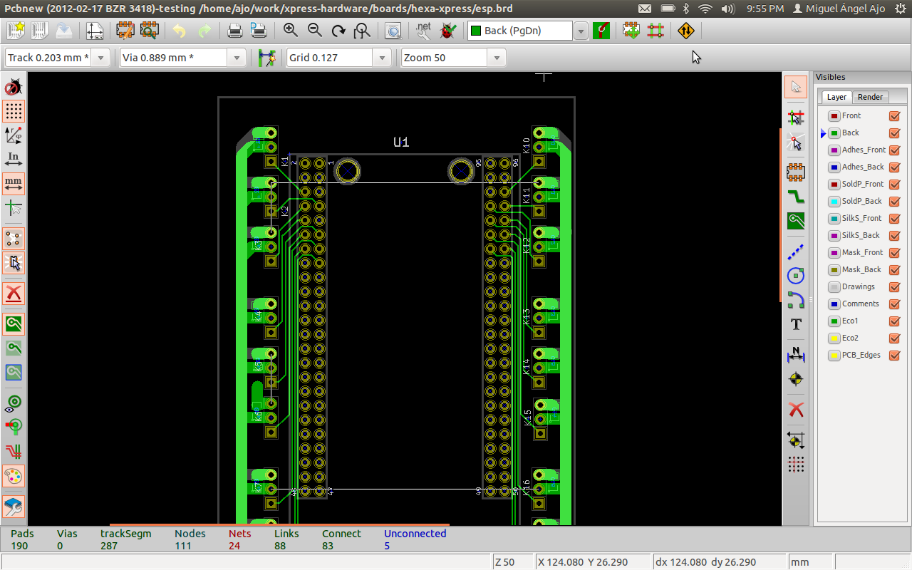
so I modified the module drawing function to  obey that display option with:


    if( DisplayOpt.ContrastModeDisplay )
    {
        if( !IsOnLayer( curr_layer ) )
        {
            color &= ~MASKCOLOR;
            color |= DARKDARKGRAY;
        }
    }


 It works perfectly (see the current screenshot) in the pcb editor
mode,routing is much easier now in high contrast mode, and you can
go back to normal mode very easily and see what's around.

  But, now, if you go into the module editor (while in
ContrastModeDisplay=true) also the module edges will go gray...

    Is there any way to know if class EDGE_MODULE is asked to Draw from the
pcb view or the module editor view?




-- 

Miguel Angel Ajo Pelayo
http://www.nbee.es
+34 636 52 25 69
skype: ajoajoajo

Attachment: hc_off.png
Description: PNG image

Attachment: hc_on_previous.png
Description: PNG image

Attachment: hc_on_now.png
Description: PNG image

Attachment: libbrowser_highcontrast_off.png
Description: PNG image

Attachment: libbrowser_highcontrast_problem.png
Description: PNG image